欢迎您访问加拿大pc28官网开奖结果在线官方网站!

GL系列产品应用场景

自杰尔精密专注精益管及配件研发和制造以来,在多个制造行业领域已有成功案例,不断的帮助该行业的企业实现智能制造,降本增效...

技术支持

杰尔精密专注研发符合中国制造体系和工程改善理念的组件,在技术上大力扶持我们的经销商客户,不仅仅提供相关技术资料,也为我们的经销商提供服务品质保障...

新闻动态

分别从新产品动态、公司新闻、行业新闻、展会信息来了解杰尔最新的新闻资讯,最新的研发成果,杰尔参展信息等...

加拿大pc28官网开奖结果在线

加拿大pc28官网开奖结果在线

从杰尔创始人到核心管理人员,都是来自世界500强的日资企业的生产制造现场,对于改善帮助企业提升效率就是唯一的KPI,好的改善idear需要的就是功能齐全的连接组件来落地,带着这样的痛点创办的杰尔企业...

28mm连接件
  • 内接直接头实图
  • 内接直接头尺寸
  • 内接直接头实图
  • 内接直接头尺寸

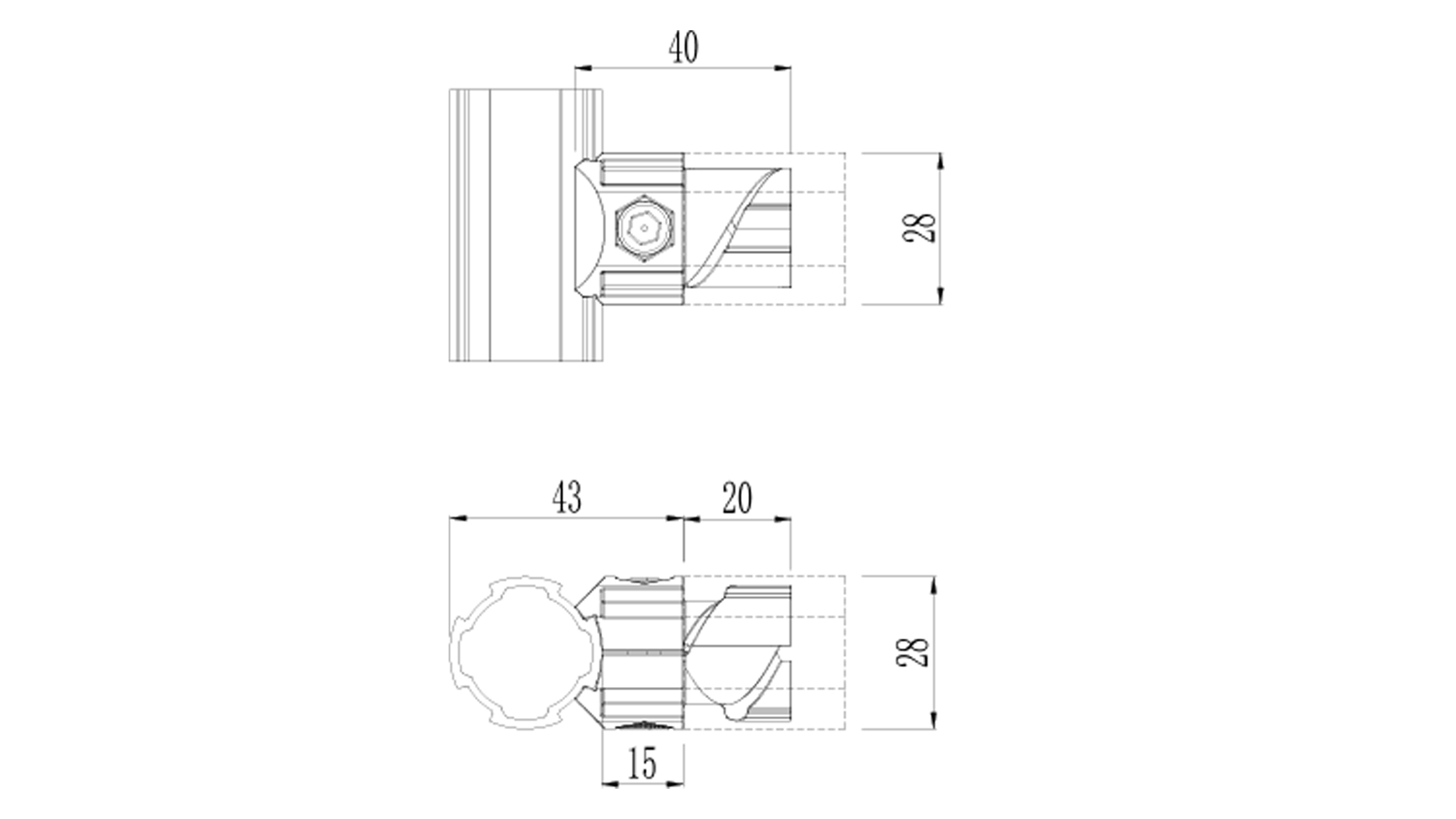
内接直接头

半藏式的结构,可与铝管四方向连接成任意多维结构,侧边带牙口(也可安装在43mm管材外壁卡扣上)。

  • 产品名称:内接直接头
    型号:GL-B25
    材料:铝合金ADC-12
    产品单重:46g/套
    包装数量:270套(set)
    包装重量:13.2kg
    包装尺寸:300*220*150mm

    配套附件:
    ·内六角圆头螺钉(强度8.8级) M6x20, S=5,K=8,镀锌处理。
    ·内六角螺母(强度8.8级) M6,M=7,S=l0,镀锌处理。
Baidu
map