欢迎您访问加拿大pc28官网开奖结果在线官方网站!

GL系列产品应用场景

自杰尔精密专注精益管及配件研发和制造以来,在多个制造行业领域已有成功案例,不断的帮助该行业的企业实现智能制造,降本增效...

技术支持

杰尔精密专注研发符合中国制造体系和工程改善理念的组件,在技术上大力扶持我们的经销商客户,不仅仅提供相关技术资料,也为我们的经销商提供服务品质保障...

新闻动态

分别从新产品动态、公司新闻、行业新闻、展会信息来了解杰尔最新的新闻资讯,最新的研发成果,杰尔参展信息等...

加拿大pc28官网开奖结果在线

加拿大pc28官网开奖结果在线

从杰尔创始人到核心管理人员,都是来自世界500强的日资企业的生产制造现场,对于改善帮助企业提升效率就是唯一的KPI,好的改善idear需要的就是功能齐全的连接组件来落地,带着这样的痛点创办的杰尔企业...

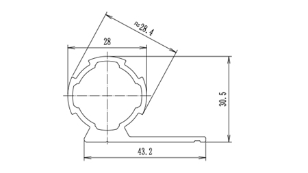
28mm精益管

联系我们

地址:广东省东莞市塘厦镇莆心湖商业中三街6号1栋
邮编:518000
手机:189-3828-0035
邮箱:sell@m.qcclc.com
联系我们
  • 单边铝管实物
  • 单边铝管尺寸
  • 单边铝管应用
  • 单边铝管实物
  • 单边铝管尺寸
  • 单边铝管应用

单边铝管

这款铝合金精益管平面部分可以安装背挂式零件盒,也可作为挡边或隔断使用。

Baidu
map